Giới thiệu về Khóa tủ mã số thông minh dạng núm tròn DMZ-1888M
Khóa tủ mã số thông minh dạng núm tròn DMZ-1888M là dòng khóa thông minh thế hệ mới, thiết kế dạng núm tròn nhỏ gọn, thẩm mỹ và dễ thao tác. Sản phẩm sử dụng bàn phím cảm ứng 5 phím, hỗ trợ nhiều chế độ bảo mật hiện đại, cho trải nghiệm mở khóa nhanh – an toàn – chính xác. Đây là lựa chọn lý tưởng cho các tủ locker, tủ gym, tủ spa, tủ văn phòng, tủ hồ sơ, tủ trường học…
Được hoàn thiện bằng hợp kim kẽm đúc cao cấp kết hợp pin sạc lithium 3.7V, Khóa tủ mật mã DMZ-1888M mang lại độ bền vượt trội, vận hành ổn định, tiết kiệm năng lượng và hỗ trợ hai phiên bản xoay 90° và 180° linh hoạt theo từng nhu cầu lắp đặt.
Đặc điểm của Khóa tủ mã số thông minh dạng núm tròn DMZ-1888M
- Thiết kế núm tròn hiện đại, đồng bộ thẩm mỹ với nhiều dòng tủ locker, tủ văn phòng và tủ cá nhân. Bề mặt phẳng tinh tế, thao tác xoay mở – đóng tự nhiên và dễ dùng.
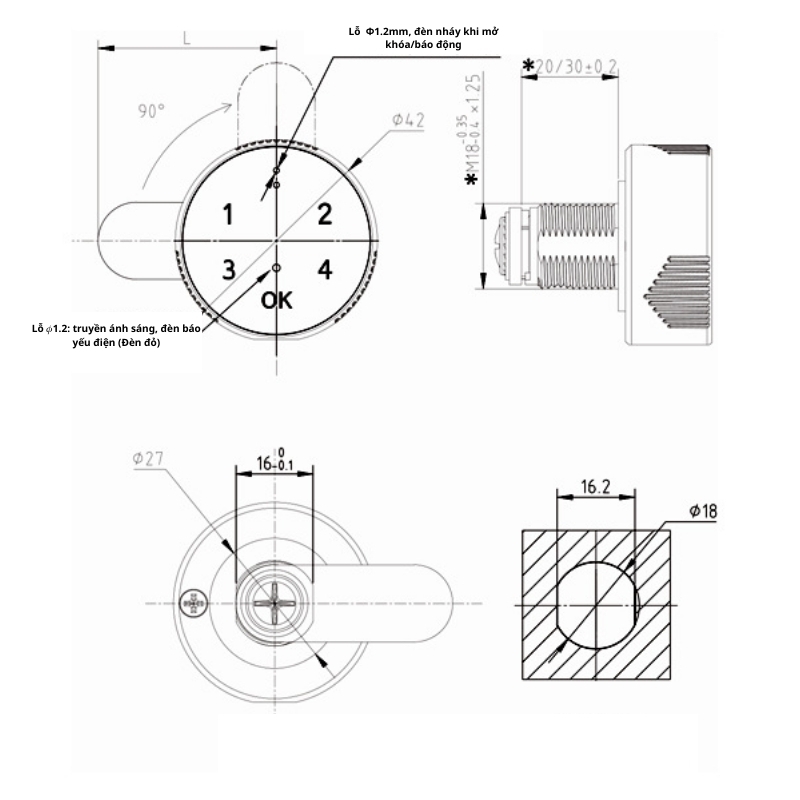
- Bàn phím cảm ứng 5 phím, chạm nhạy, thao tác êm, chống kẹt phím, hỗ trợ mật mã từ 3–15 số giúp tăng mức độ bảo mật.
- Hỗ trợ tinh chỉnh góc xoay linh hoạt, có 2 phiên bản xoay 90° và 180° phù hợp từng nhu cầu lắp đặt (90° mở nhanh, 180° tăng độ an toàn – chống cạy tốt).
- Pin lithium 3.7V – 120mAh, tuổi thọ dài, có thể sạc lại trên 300 chu kỳ, giảm chi phí thay pin.
- Cổng sạc Micro USB tích hợp, thuận tiện sạc khẩn cấp khi hết pin, không lo bị khóa ngoài ý muốn.
- Thân khóa hợp kim kẽm đúc cao cấp, chắc chắn – chống gỉ – chống va đập – bền bỉ khi sử dụng lâu dài.
- Phù hợp tủ gỗ & tủ sắt, ứng dụng linh hoạt cho locker gym, spa, hồ bơi, văn phòng, cửa hàng, trường học.
Tính năng nổi bật của Khóa tủ mã số thông minh dạng núm tròn DMZ-1888M
- Mở khóa bằng mã số bảo mật cao: Mã 3–15 ký tự, khó đoán, phù hợp cả tủ cá nhân lẫn tủ dùng chung.
- Hỗ trợ nhiều chế độ mã số: Mã quản lý – mã người dùng – mã tạm thời – mã dùng một lần cho mô hình locker dịch vụ.
- Chế độ mã ảo chống nhìn trộm: Cho phép nhập thêm số trước/sau mã thật, đảm bảo an toàn khi có người đứng gần.
- Cảnh báo sai mã & khóa hệ thống: Nhập sai 3 lần → khóa 60 giây, giúp ngăn truy cập trái phép.
- Chức năng quên mã – reset nhanh: Hỗ trợ khôi phục trạng thái xuất xưởng hoặc đặt lại mã khi người dùng quên mật khẩu.
- Tiêu thụ năng lượng thấp: Một lần sạc cho thời gian sử dụng dài, tối ưu cho hệ thống tủ nhiều người dùng liên tục.
- Độ ổn định cao – chống rung lắc: Cơ cấu xoay chắc chắn, vận hành trơn tru, phù hợp locker khu công cộng.
Thông số kỹ thuật
| Thông tin | Chi tiết |
|---|---|
| Model | DMZ-1888M |
| Phương thức mở khóa | Mật mã cảm ứng (3–15 số) |
| Chất liệu khóa | Hợp kim kẽm cao cấp |
| Bộ nhớ mật mã | Mã quản lý / mã người dùng / mã tạm thời / mã 1 lần |
| Chế độ hoạt động | Công cộng – Riêng tư – Tạm thời |
| Cơ cấu khóa | Núm xoay tròn – 2 phiên bản xoay 90° hoặc 180° |
| Nguồn điện | Pin lithium 3.7V – 120mAh (sạc lại) |
| Cổng sạc khẩn cấp | Micro USB / DC 5V |
| Kích thước mặt khóa | Φ42 mm |
| Chiều dài ren khóa | 2 phiên bản 20mm & 30mm |
| Độ dày cửa phù hợp | 0.8 – 20 mm |
| Ứng dụng | Tủ locker gym – spa – hồ bơi – văn phòng – tủ học sinh – siêu thị |























Chưa có đánh giá nào.