Giới thiệu Ruột khóa 1 đầu vặn 1 đầu chìa 70mm Hafele 916.96.315
Ruột khóa Hafele 916.96.315 là giải pháp khóa thông minh kết hợp giữa thiết kế tiện lợi và chất lượng cao, phù hợp cho cửa phòng, cửa nhà vệ sinh hoặc những khu vực cần tính riêng tư và an toàn cao. Sản phẩm sở hữu thiết kế 1 đầu chìa – 1 đầu vặn dạng Oval, tối ưu trải nghiệm sử dụng nhờ khả năng đóng/mở nhanh chóng và dễ dàng kiểm soát từ cả hai phía.
Chất liệu đồng thau nguyên khối mang lại cho ruột khóa độ bền vượt trội, khả năng chống rỉ sét, ăn mòn và chịu được môi trường khí hậu ẩm đặc trưng tại Việt Nam. Bề mặt khóa được xử lý với lớp mạ niken mờ, không chỉ tạo cảm giác sang trọng, hiện đại mà còn chống bám vân tay, giữ vẻ ngoài luôn sạch sẽ sau thời gian dài sử dụng.
Đặc điểm Ruột khóa 1 đầu vặn 1 đầu chìa 70mm Hafele 916.96.315
- Ruột khóa 1 đầu chìa và 1 đầu vặn Oval
- Vật liệu: đồng thau
- Màu hoàn thiện: Niken mờ
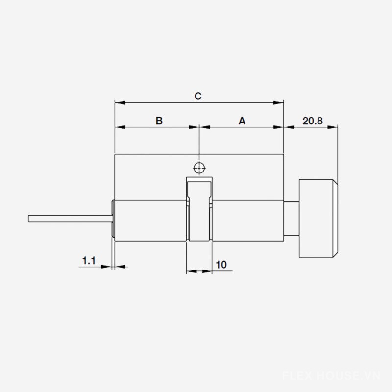
- Chiều dài A: 30mm
- Chiều dài B: 40mm
- Chiều dài C: 70mm
- Trọn bộ gồm: 1 ruột khóa, 3 chìa khóa, 1 vít
- Đóng gói: 1 bộ























Nhật Quang Đã mua tại flexhouse.vn
Giá cả phải chăng, phù hợp túi tiền.