Giới thiệu Vòi chậu lavabo gắn tường 2 lỗ TOTO TLG09307BB
Vòi lavabo TOTO TLG09307BB nổi bật với thiết kế bất đối xứng sang trọng, tạo điểm nhấn tinh tế cho mọi không gian phòng tắm. Sản phẩm được chế tác từ thép đúc không gỉ cao cấp, phủ lớp mạ Niken bền vững, chống oxi hóa, trầy xước và giữ màu sáng bóng lâu dài.
Công nghệ gạt êm ái giúp thao tác mở/tắt và điều chỉnh lưu lượng nước nhẹ nhàng, mượt mà, kết hợp với áp lực nước ổn định, phù hợp với hầu hết hệ thống nước gia đình. Vòi đi kèm bộ xả tiêu chuẩn, thiết kế liền mạch, mang đến sự gọn gàng và tinh tế.
Các ưu điểm Vòi chậu lavabo gắn tường 2 lỗ TOTO TLG09307BB
- Giúp tối ưu hóa không gian và dễ dàng kết hợp với mọi phong cách thiết kế
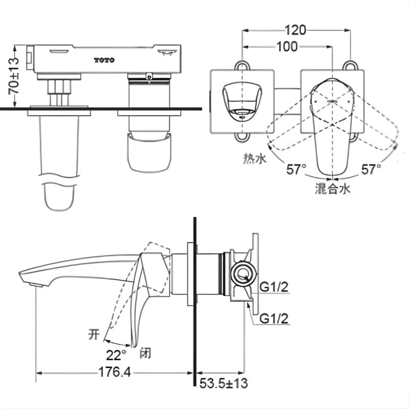
- 2 chế độ nóng/lạnh phù hợp với từng nhu cầu của khách hàng
- Chất liệu đồng mạ ni/cr
- Kiểu dáng: Gật gù hiện đại
- Vật liệu đồng mạ Ni/Cr có độ bền cao, chắc chắn
- Tay gạt êm ái, thao tác nhẹ nhàng và chính xác
- Màu sắc/lớp hoàn thiện : mạ Crom
- Áp lực nước : 0.05 MPa ~ 1.0 MPa)
-
Kích thước: 195.1 mm (Từ tâm xả nước đến tường)
- Bảo hành 2 năm từ nhà sản xuất
<<Lưu ý: Chưa bao gồm bộ xả và ống thải chữ P
Hình ảnh Vòi chậu lavabo gắn tường 2 lỗ TOTO TLG09307BB

TLG09307BB.MBL

TLG09307BB





















Chưa có đánh giá nào.