Giới thiệu Vòi chậu lavabo tự động để bàn TOTO TLE25007V
TLE25007V là vòi chậu lavabo cảm ứng để bàn hiện đại, giúp thao tác rửa tay hoàn toàn không chạm, đảm bảo vệ sinh tối đa. Cảm biến được bố trí ngay dưới đầu vòi, nhận diện người dùng nhanh và chính xác, cho dòng nước mượt mà ngay lập tức. Công nghệ SELF POWER tự tạo điện từ dòng chảy, giảm chi phí vận hành và không cần nguồn ngoài. Kết hợp ECO CAP tạo bọt khí, vừa tiết kiệm nước vừa mang đến dòng nước nhẹ nhàng, êm ái, cùng lớp mạ crom bóng sang trọng, bền bỉ.
Các ưu điểm Vòi chậu lavabo tự động để bàn TOTO TLE25007V
- Công nghệ SELF POWER: nguồn điện tự tạo từ dòng chảy, tiết kiệm điện
- Dòng chảy SOFT FLOW êm nhẹ, không văng nước
- Cảm biến được đặt bên dưới đầu vòi để phát hiện chính xác hơn
- Lưu lượng nước: 2L/phút
- Công nghệ ECO CAP tạo bọt khí, tiết kiệm nước
- Chất liệu đồng mạ Ni/Cr
- Vật liệu đồng mạ Ni/Cr có độ bền cao, chắc chắn
- Màu sắc/lớp hoàn thiện: mạ Crom
- Áp lực nước: 0.05 ~ 0.75 MPa
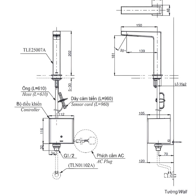
- Kích thước từ tâm xả đến thân: 139mm
- Bảo hành 2 năm từ nhà sản xuất
- <<Lưu ý: Sản phẩm chưa bao gồm bộ điều khiển, van dừng – dây cấp và ống thải chữ P
Hình ảnh Vòi chậu lavabo tự động để bàn TOTO TLE25007V

Hình ảnh thực tế của sản phẩm






















Chưa có đánh giá nào.