Giới thiệu về Bản lề cửa sổ nhôm trục có thể tháo rời KD0035
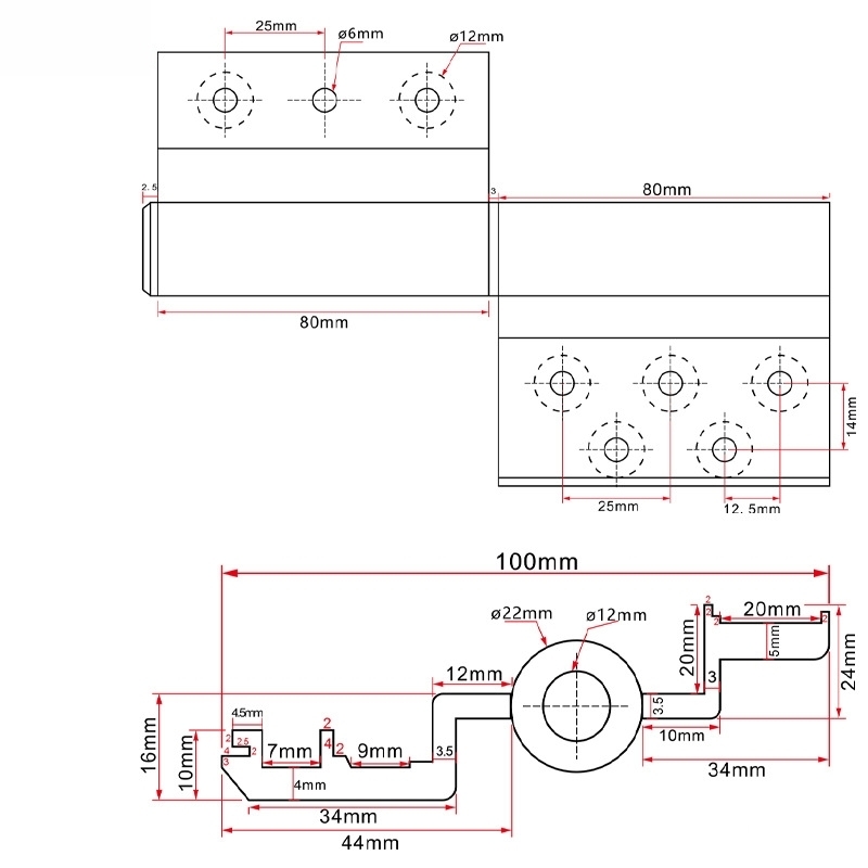
Bản lề cửa sổ nhôm trục có thể tháo rời KD0035 là dòng bản lề cao cấp chuyên dùng cho cửa sổ nhôm, cửa nhôm kính và cửa đi nhôm hệ hiện đại. Thiết kế trục xoay tháo rời, kết hợp vật liệu hợp kim nhôm cao cấp và trục thép chịu lực, giúp cửa vận hành êm ái, bền bỉ và dễ dàng tháo lắp khi cần bảo trì hoặc thay thế.
Bản lề phù hợp cho cửa mở trong – mở ngoài, cửa trái – cửa phải, đáp ứng linh hoạt nhiều kiểu kết cấu cửa nhôm hiện nay trong nhà ở, căn hộ, công trình dân dụng và thương mại. Cấu trúc bản lề trên và dưới đều có khả năng xoay 360°, giúp cửa mở đóng linh hoạt theo nhiều hướng, giảm ma sát, không kẹt cứng, không rung lắc.
Đặc điểm của Bản lề cửa sổ nhôm trục có thể tháo rời KD0035
- Thiết kế trục tháo rời tiện lợi: Cho phép tháo cánh cửa nhanh chóng mà không cần tháo toàn bộ bản lề, cực kỳ thuận tiện khi bảo trì, thay kính hoặc điều chỉnh cửa.
- Xoay mở góc lớn – vận hành êm: Cấu trúc trục xoay chính xác giúp cửa mở đóng mượt mà, giảm ma sát, hạn chế tiếng ồn và tăng tuổi thọ cho cả bản lề lẫn khung cửa.
- Chịu lực cao – kết cấu chắc chắn: Trục thép đường kính lớn (≈12mm) kết hợp thân hợp kim nhôm dày, chịu tải tốt, phù hợp cho cửa nhôm kính kích thước lớn và cửa có tần suất sử dụng cao.
- Phân biệt trái – phải rõ ràng: Có nhiều hướng lắp đặt (trái / phải – mở trong / mở ngoài), giúp thợ thi công chọn đúng loại theo thực tế công trình, tránh lắp sai.
- Chống ăn mòn – bền bỉ ngoài trời: Bề mặt xử lý oxy hóa / sơn tĩnh điện, chống gỉ, chống oxy hóa, phù hợp cả môi trường ẩm như ban công, nhà vệ sinh, cửa sổ ngoài trời.
- Lắp đặt âm gọn – thẩm mỹ cao: Thiết kế gọn gàng, bề mặt nhẵn mịn, màu sắc trung tính (xám bạc), dễ phối với các hệ cửa nhôm hiện đại, tối giản và cao cấp.
Hình ảnh của Bản lề cửa sổ nhôm trục có thể tháo rời KD0035


























Chưa có đánh giá nào.