Giới thiệu Phụ kiện cửa trượt Telescopic điều khiển từ xa DTSC2000
Bộ phụ kiện cửa trượt tự động xếp lớp (Telescopic Sliding Door) là giải pháp cửa tự động cao cấp được thiết kế cho các công trình cần lối đi thông thủy rộng, vận hành ổn định và tải trọng lớn. Khác với cửa trượt tự động thông thường chỉ mở được khoảng một nửa chiều rộng ô cửa, hệ cửa trượt xếp lớp cho phép các cánh cửa trượt lồng vào nhau, nhờ đó có thể đạt độ mở lên tới 2/3 chiều rộng tường, tối ưu lưu thông cho khu vực có mật độ người qua lại cao như bệnh viện, trung tâm thương mại, showroom, tòa nhà văn phòng hay khách sạn.
Điểm nổi bật của hệ thống nằm ở động cơ không chổi than 100W công suất lớn, tốc độ cao nhưng độ ồn thấp, kết hợp với ray trượt nhiều tầng và hệ thống con lăn treo cửa chịu tải lớn, giúp cửa vận hành êm ái và bền bỉ trong thời gian dài. Bộ điều khiển thông minh cho phép thiết lập nhiều chế độ hoạt động, kết nối đa dạng cảm biến và thiết bị truy cập, giúp hệ cửa tự động đáp ứng linh hoạt các yêu cầu vận hành trong từng dự án.
Thông số kỹ thuật
- Chế độ cửa: cửa mở đơn hoặc cửa mở đôi
- Tải trọng cánh cửa
- Cửa mở đơn: tối đa 2 cánh x 100kg
- Cửa mở đôi: tối đa 4 cánh x 80kg
- Chiều rộng cánh cửa: DW = 600 – 1500mm
- Điện áp hoạt động: AC 90 – 250V | 50Hz – 60Hz
- Tốc độ mở: 10 – 55 cm/giây (có thể điều chỉnh)
- Tốc độ đóng: 10 – 55 cm/giây (có thể điều chỉnh)
- Thời gian giữ cửa mở: 0 – 60 giây (có thể điều chỉnh)
- Lực mở thủ công
- <40N (cửa đơn)
- <50N (cửa đôi)
- Động cơ: Không chổi than 24V – 100W – 2300 vòng/phút
- Độ ồn vận hành: Dưới 50dBA
- Nhiệt độ hoạt động: -10°C đến +70°C
- Độ dày cửa khuyến nghị: ≤ 40mm
- Chứng nhận chất lượng: CE Certification, sản phẩm đạt tiêu chuẩn chất lượng châu Âu.
- Tuổi thọ vận hành: 2 triệu chu kỳ đóng mở (được chứng nhận bởi TUV)
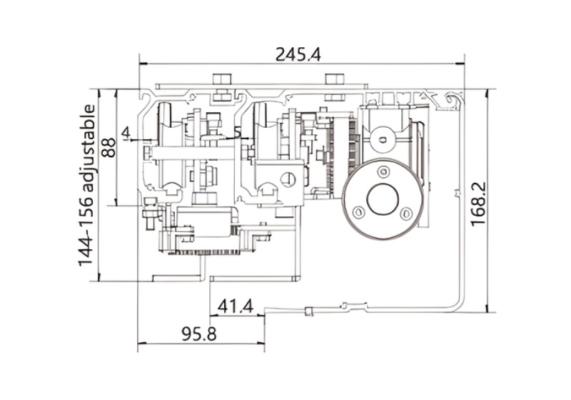
*Bản vẽ kỹ thuật mặt cắt ngang
Thành phần Phụ kiện cửa trượt Telescopic điều khiển từ xa DTSC2000
Các thành phần tiêu chuẩn trong bộ sản phẩm gồm:
- Ray trượt và nắp che ray với ray nhôm nhiều tầng giúp các cánh cửa trượt lồng vào nhau. Nắp che giúp tăng thẩm mỹ và hạn chế bụi bẩn.
- Bộ điều khiển trung tâm (Controller) điều khiển toàn bộ hoạt động của hệ cửa, cho phép cài đặt tốc độ, thời gian đóng mở và kết nối các thiết bị ngoại vi.
- Động cơ 24V công suất 100W giúp vận hành cửa ổn định và bền bỉ.
- Cảm biến vi sóng phát hiện chuyển động từ xa để kích hoạt cửa mở tự động.
- Tế bào quang điện (Photocell) phát hiện vật cản trong vùng cửa đóng để đảm bảo an toàn.
- Điều khiển từ xa cho phép điều khiển cửa mở/đóng từ xa.
- Dây curoa truyền động truyền lực từ động cơ đến các cánh cửa để thực hiện chuyển động trượt.
- Puli dẫn hướng giữ cho dây curoa vận hành ổn định và giảm ma sát.
- Bộ treo cửa (Hanger / con lăn treo cửa) với hệ thống bánh xe treo giúp cánh cửa trượt nhẹ và ổn định trên ray.
- Chốt chặn cửa giới hạn hành trình cửa để tránh trượt quá vị trí.
- Đầu nối dây curoa liên kết dây curoa với hệ treo cửa.
- Bộ ốc vít lắp đặt


Ưu điểm của Phụ kiện cửa trượt Telescopic điều khiển từ xa DTSC2000
- Hệ cửa trượt xếp lớp cho phép các cánh cửa lồng vào nhau, giúp mở rộng lối đi lên tới khoảng 2/3 chiều rộng tường, tối ưu cho khu vực có lưu lượng người lớn.
- Động cơ không chổi than giúp giảm ma sát, kéo dài tuổi thọ và giảm chi phí bảo trì.
- Vận hành êm ái, độ ồn dưới 50dBA giúp hệ cửa hoạt động yên tĩnh, phù hợp môi trường văn phòng và bệnh viện.
- Bộ điều khiển cho phép điều chỉnh nhiều thông số vận hành và kết nối nhiều thiết bị cảm biến khác nhau.
- Độ bền cao, tuổi thọ vận hành lên tới 2 triệu chu kỳ đóng mở, đáp ứng yêu cầu sử dụng lâu dài.
- Lắp đặt linh hoạt, có thể sử dụng cho cửa kính không khung, cửa khung nhôm hoặc cửa kết hợp với nhiều loại cảm biến và thiết bị kiểm soát truy cập.
- Phù hợp nhiều loại công trình, ứng dụng rộng rãi cho trung tâm thương mại, bệnh viện, tòa nhà văn phòng, khách sạn, showroom và các công trình cần hệ cửa lùa điện cao cấp.






Như vậy, bộ ray cửa trượt tự động DTSC2000 là giải pháp tối ưu cho các công trình cần lối đi rộng, vận hành ổn định và khả năng chịu tải lớn. Nhờ thiết kế ray trượt xếp lớp kết hợp hệ thống con lăn treo cửa chịu lực cao và động cơ bền bỉ, hệ cửa không chỉ hoạt động êm ái mà còn đảm bảo độ bền lâu dài trong môi trường sử dụng liên tục.
Nếu bạn đang tìm kiếm giải pháp cửa lùa tự động điều khiển từ xa chuyên nghiệp, an toàn và tối ưu cho công trình, hãy liên hệ Flexhouse để được tư vấn cấu hình phù hợp nhất. Đội ngũ kỹ thuật của Flexhouse sẽ hỗ trợ từ khâu khảo sát, lựa chọn thiết bị đến lắp đặt hoàn thiện, giúp hệ thống cửa tự động vận hành hiệu quả và bền bỉ theo đúng tiêu chuẩn kỹ thuật.


























Chưa có đánh giá nào.