Giới thiệu Vòi chậu rửa mặt cổ cao cảm ứng TOTO TLE25008V
Nếu bạn muốn nâng cấp lavabo lên một phiên bản hiện đại, sạch sẽ và tiện lợi hơn thì chiếc vòi chậu cảm ứng TLE25009V này chính là lựa chọn hoàn hảo.
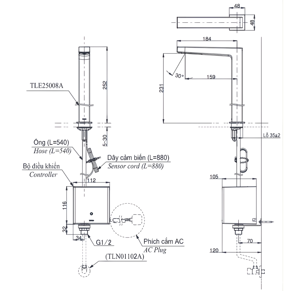
Sản phẩm sở hữu lớp mạ chrome bóng, chế độ nước lạnh, chất liệu đồng bền bỉ, cùng cảm biến đặt dưới đầu vòi cho độ nhạy cao, kích hoạt nước nhanh, cùng công nghệ SELF POWER tự tạo điện khi nước chảy, tiết kiệm năng lượng; kết hợp ECO CAP giúp tạo bọt, giảm tiêu hao nước nhưng vẫn giữ lực xả mạnh.
Với công nghệ SELF POWER cho phép vòi tự tái tạo điện từ dòng chảy, trong khi ECO CAP bơm không khí vào nước tạo tia nước mạnh nhưng tiết kiệm. Ngoài ra, dòng chảy SOFT FLOW êm nhẹ, không văng nước, vòi chậu TLE25008 sẽ mang đến sự tiện nghi cho người tiêu dùng.
Các ưu điểm Vòi chậu rửa mặt cổ cao cảm ứng TOTO TLE25008V
- Công nghệ SELF POWER: nguồn điện tự tạo từ dòng chảy, tiết kiệm điện
- Dáng cổ cao hiện đại, tinh tế
- Công nghệ ECO CAP: tạo bọt khí mạnh mẽ, tiết kiệm nước
- Cảm biến được đặt bên dưới đầu vòi để phát hiện chính xác hơn
- Lưu lượng nước: 2L/phút
- Chất liệu đồng mạ Ni/Cr
- Vật liệu đồng mạ Ni/Cr có độ bền cao, chắc chắn
- Màu sắc/lớp hoàn thiện: mạ Crom
- Áp lực nước: 0.05 ~ 0.75 MPa
- Kích thước từ thân đến tâm xả: 159mm
- Bảo hành 2 năm từ nhà sản xuất
- <<Lưu ý: Sản phẩm chưa bao gồm bộ điều khiển, van dừng – dây cấp và ống thải chữ P
Hình ảnh Vòi chậu rửa mặt cổ cao cảm ứng TOTO TLE25008V

Hình ảnh thực tế của sản phẩm






















Chưa có đánh giá nào.