Giới thiệu Vòi lavabo gắn tường nóng lạnh cao cấp LN TOTO TLS02308B
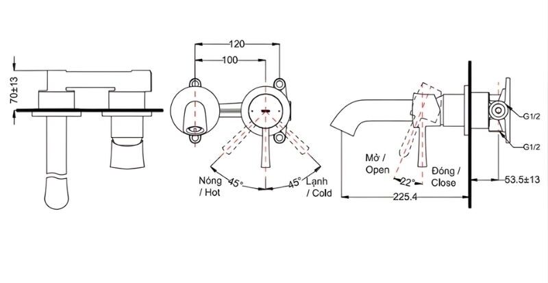
Vòi chậu gật gù TOTO TLS02308B thuộc LN Series, thiết kế vòi dài gắn tường 2 lỗ với chiều dài đầu vòi 225.4mm (từ tâm xả đến tường), phù hợp lắp đặt cho lavabo treo tường hoặc lavabo đặt bàn. Sản phẩm được chế tạo từ đồng mạ Niken–Crom cao cấp, lớp mạ Nickel dày gấp 3 lần giúp chống ăn mòn hiệu quả, giữ bề mặt luôn sáng bóng. Vòi sử dụng nước nóng – lạnh, điều khiển bằng van gật gù, vận hành ổn định trong dải áp lực 0.05 ~ 1.0 MPa.
Đặc điểm Vòi lavabo gắn tường nóng lạnh cao cấp LN TOTO TLS02308B
- Thiết kế tối giản vòi ngắn 2 lỗ
- Công nghệ gạt êm ái
- Vẻ ngoài thanh thoát đem đến sự sang trọng đẳng cấp cho không gian tắm
- Loại vòi gắn tường hiện đại
- Áp lực nước: 0.05–1.0 MPa
- 2 đường nước nóng lạnh phù hợp với từng nhu cầu
- Kích thước: 225.4 mm (Từ tâm xả nước đến tường)
- Chất liệu: Đồng mạ Ni-Cr cao cấp, hạn chế bị ăn mòn trong môi trường ẩm ướt
- Lớp mạ Niken dày gấp 3 lần, chống ăn mòn cao
- Màu sắc: Bạc
Lưu ý: Không bao gồm bộ xả và ống thải chữ P






















Chưa có đánh giá nào.